EE242
----------------------------

To Parent Directory

 

Lecture_Notes_Slides

Class Notes

ILOsOutline and Grading Policy

Assignments

Assignments_Solutions

PLA_PAL

SIGNETICS_PLA_Form

SIGNETICS_PLA_Example

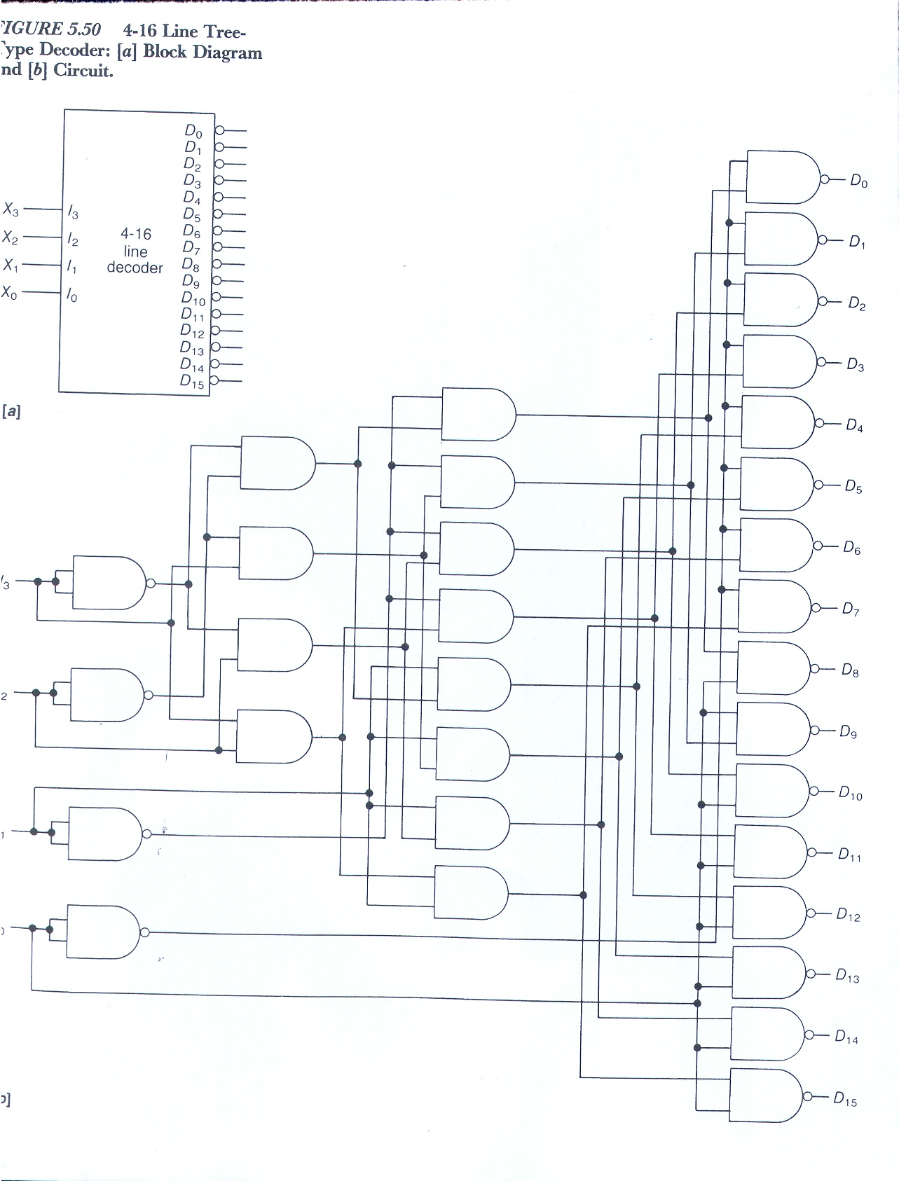
Tree_Decoder

Balanced_Decoder